Зхејианг Аокаи Елецтриц Цо., Лтд. је један од водећих произвођача и добављача континуалног 200а адц200с2з ДЦ контактора за кретање за индустријске камионе у Кини. Ако ћете купити ЦЕ одобрени континуални контактор за 200а адц200с2з дц за индустријске камионе, добродошли да добијете више информација из наше фабрике. Доступна је добра услуга и квалитетни производи.
Карактеристике
◪ Континуирано оптерећење од 200А.
◪ Има два сета нормално отворених и два сета нормално затворених контаката.
◪ Потрошња енергије завојнице мања или једнака 20В.
◪ Отпор изолације је до 100МΩ (1000ВДЦ), отпорни напон између контакта и намотаја је 1,5кВ.
◪ ИП ниво заштите: ИП50.
◪ У складу са захтевима ИЕЦ 60664-1, ГБ/Т14048.1 и ГБ/Т14048.4.
◪ У складу са захтевима РоХС (2015/863/ЕУ), РЕАЦХ (1907/2006/ЕЦ).
◪ Сертификат о безбедности: ЦЕ.

Спецификације
|
Параметри перформанси (на 23степен) |
||
|
Контакт аранжман |
2К (2НО), 2Б (2НЦ) |
|
|
Цонтацт Ресистанце |
Мањи или једнак 30мΩ |
|
|
Пад напона контакта |
Мање или једнако 100мВ (на 125А) |
|
|
Струја преоптерећења |
Мање или једнако 7ле, >1с |
|
|
Температурни опсег |
-40 степени ~85 степени |
|
|
Учитавање терминала |
М8 унутрашњи навој |
|
|
Влажност |
5%~95%РХ |
|
|
Ектернал Дименсион |
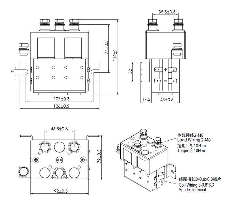
126мм*72мм*119мм |
|
|
Оператинг Дути |
Континуирано |
|
|
Електрична издржљивост са оптерећењем (отпорно) |
Веће или једнако 20.000 пута |
|
|
Обртни момент ожичења оптерећења |
8-10N.m |
|
|
Повуците{0}}напон |
Мање или једнако 70% нас |
|
|
Испадање{0}}напона |
5%-40% нас |
|
|
Контактирајте период одбијања |
Мање или једнако 5 мс |
|
|
Повуците{0}}на време |
Мање или једнако 30 мс |
|
|
Испадање{0}}Време |
Мање или једнако 30 мс |
|
|
Диелектрична чврстоћа |
Између главних контаката |
50Хз/60Хз 1,500ВАЦ/1мин |
|
Између главних контаката и завојнице |
50Хз/60Хз 1,500ВАЦ/1мин |
|
|
Изолација |
Почетно стање |
100МΩ 1мин |
|
После електричног живота |
50МΩ 1мин |
|
|
Шок |
Стабилност |
20 г (укључено) |
|
Снага |
50g |
|
|
Вибрације |
3,5 г, 10 ~ 200 Хз, 1/2 синусног таласа (укључено) |
|
|
Механичка издржљивост |
Веће или једнако 300.000 пута |
|
|
Обртни момент ожичења завојнице |
0,8*6,3 Спаде терминал |
|
|
Параметри завојнице АДЦ200С2З |
||||
|
Цоил Волтаге |
Повуците{0}}напон |
Испадање{0}}напона |
Отпор намотаја |
Потрошња завојнице |
|
12V |
Мање или једнако 70% нас |
5% -40% нас |
7.2Ω±10% |
20W±10% |
|
24V |
Мање или једнако 70% нас |
5% -40% нас |
28.8Ω±10% |
20W±10% |
|
36V |
Мање или једнако 70% нас |
5% -40% нас |
64.8Ω±10% |
20W±10% |
|
48V |
Мање или једнако 70% нас |
5% -40% нас |
115.2Ω±10% |
20W±10% |
|
60V |
Мање или једнако 70% нас |
5% -40% нас |
180Ω±10% |
20W±10% |
|
72V |
Мање или једнако 70% нас |
5% -40% нас |
259.2Ω±10% |
20W±10% |
Увод у производ
Ова серија ДЦ контактора се користи за контролу обртања мотора, који се широко користи у електромобилима, електричним виљушкарима, електричним витлима, инжењерским машинама итд.




Кодирање модела

Дијаграм ожичења

Оквирни инсталациони цртеж са димензијама

Напомена: Ови подаци су само за референцу за одабир купаца, АОКАИ се потрудио да обезбеди тачност информација. Спецификације и параметри производа могу бити промењени због побољшања производа итд., могу бити недоследни због неажурирања на време. За специфичне параметре и перформансе сваког производа, погледајте узорке које је обезбедио АОКАИ и
одговарајућу потписану и контролисану спецификацију.

1. П: Да ли имате каталог? Можете ли ми послати каталог да проверим све ваше производе?
О: Да, имамо каталог производа. Молимо контактирајте нас на мрежи или нам пошаљите е-пошту за то.
2. П: Треба ми ваш ценовник свих ваших производа, да ли га имате?
О: Немамо ценовник свих наших производа. Има толико артикала, а цене се увек мењају због трошкова производње. Молимо Вас да нас обавестите о конкретним производима који су Вам потребни, ускоро ћемо Вам послати понуду!
3. П: Не могу да пронађем производ у вашем каталогу, можете ли да направите овај производ за мене?
О: Наш каталог приказује већину наших производа, али не све. Зато нас обавестите о детаљним параметрима производа који су вам потребни, ми ћемо проверити за вас.
4. П: Можете ли направити прилагођене производе и прилагођено паковање?
О: Да, прилагођене услуге су доступне у нашој компанији. Обавестите нас о вашим захтевима за детаље, можемо да-направимо за вас.
5. П: Можете ли дати узорке? Да ли су узорци бесплатни?
О: Пошто су јединичне цене наших производа веома високе, бесплатни узорци за сваког купца су нам мало тешки. Док можемо да смањимо наплату узорака у званичном износу поруџбине. А стари клијенти могу уживати у бесплатномузорак услуге.
6. П: Коју врсту плаћања можете прихватити? Могу ли да извршим уплату у РМБ?
О: Т/Т (банковни трансфер), Вестерн Унион и Паипал су доступни. И РМБ, УСД, ЕУР, ГБП, ХКД су прихватљиви.
7. П: Шта је са вашим временом испоруке?
О: Многи наши производи су на залихама. Залихе производа можемо послати за 3 радна дана.Ако нема залиха, или залиха није довољна, ми ћемо потврдити време испоруке са вама.
8. П: Како да испоручим своју поруџбину? Да ли је безбедно?
О: За мале пакете, послаћемо их курирском службом, као што су ДХЛ, ФедЕк, УПС, ТНТ, ЕМС, итд.Услуга од врата до врата.За
велике пакете, послаћемо их ваздухом или морем. Пажљиво ћемо их спаковати у складу са извозним стандардима како бисмо осигурали сигурност. Молимо проверите пакете пре него што их потпишете. Ако постојије било којиоштећења одкартоне, прво нас контактирајте, а не потписујте их.
9. П: Да ли имате гаранцију квалитета вашег производа?
О: Имамо гаранцију од годину дана.
10. П: Могу ли постати агент/дилер АОКАИ производа?
О: Добродошли! Али молимо вас да нам прво кажете своју земљу/подручје и годишњи обим продаје, а онда бисмо могли да имамо даљу дискусију. Уколико желите било какав други вид сарадње, слободно нас контактирајте.
Било који захтев или питање, добродошли у "Пошаљи" нама пошаљите е--одмах!!!
Велика нам је част да вам служимо! Такође можете добитиУЗОРЦИускоро.

Popularne oznake: континуирани 200а адц200с2з дц реверзни контактор за индустријске камионе, произвођачи Кина, добављачи, фабрика, ЦЕ




